sxk 플라스크 출력 이슈관련 측정치 입니다,
본문
칸탈 0.18 옴으로 온도조절 OFF 테스트 하였습니다.
칸탈이 자꾸 녹아 내려서 짧게 지져서 측정한 값으로 약간씩 편차는 존재 합니다.
아래에 진주밀면님이 올리신 자료라는 내용은 잘못된 예시 인거 같습니다.
kbox 는 저렴한 가변기기이고 그 목적에 맞게 전투용으로 막굴리기 편한 기기입니다.
그에 따라 저렴한 칩셋이라 기능이 떨어질수 밖에 없습니다.
온도조절 기기들은 저런 칩셋으로는 구현이 불가능합니다.
감압이 제대로 안되는 온도조절 기기는 온도조절 기기라 할수가 없습니다.
측정 결과 칸탈 저옴도 베이핑 가능합니다.
그리고 테스트 하면서 재미있는 부분을 발견했는데요
온도조절 OFF 상태에서도 실시간으로 계속 저항을 체크하여 변화하는 저항에 맞게 와트를 유지하려고 볼트가 상승합니다.
니크롬으로 지져보니 코일 온도가 올라가면서 저항값이 계속 상승하면서 전압이 상승하더군요
플라스크에서는 니크롬선은 사용 안하는게 좋을거 같습니다.
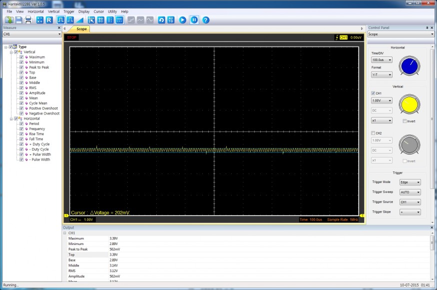
캡처의 Cursor Voltage = 66.1mV 는 전압의 진동폭입니다.
RMS 란 제곱평균제곱근으로 일반적인 평균보다 비중있는 실효값입니다.
1w 설정입니다. RMS가 455mV 입니다. 놀라운 감압 능력이네요 이것만으로도 초저옴 베이핑이 가능하다는 결론이 납니다.

 
10W 설정입니다. RMS가 1.40 입니다.

 
20W 설정입니다. RMS가 2.01 입니다.

 
30W 설정입니다. RMS 가 2.22 입니다.

 
50W 설정입니다. RMS가 2.91 입니다.

 
60W 설정입니다. RMS가 3.12입니다.

 
댓글 10건
블랙실베님의 댓글
 
			|  |  댓글내용 확인 | 
채기락님의 댓글
 
			|  | 밑에 자료는 보면서 뭐지? 싶었는데.. 역시 직접 측정한 수치라 명확하네요 | 
뺑돌아빠님의 댓글
 
			|  | 
 | 
kotetz님의 댓글
 
			|  | 기계치라....그럼 말씀은....떨어지면 안되고 쭉~ 밀어줘야한다는 말씀이신건가요?? | 
개얼굴님의 댓글
 
			|  | 내용은 이해못하지만 좋은글인거같습니다!! 추천!! | 
수잔님의 댓글
 
			|  | 와트모드에서 고정한 설정한 50W를 계속 밀어준다는 결과네요 측정결과의 오실레이션은 칸탈이 녹으면서 발생하는 저항의 변화 때문에 50W를 유지하기위한 볼트의 변화가 되는건가보네요 요는 실제 극저옴에서도(스펙안에 들어가는) 50W를 잘 밀어준다이네요 유익한 내용 감사드립니다 +_+ | 
블랙실베님의 댓글
 
			|  | 사실 가변칩에서 당연히 설정한 와트수로 밀어주어야하는게 맞는게 아닌가요. 그렇지않다면 가변칩을 쓸 이유가 없는데.. 다만 제가 궁금했던것은 플라스크에서 0.18옴 50w설정시 당연히 0.18을 50w로 밀어주는건 약할수밖에 없는데 왜.. lcd창에 표시가 42w, 38w이런식으로 표시되는지 이게 칩불량인지에 대해 궁금했었네요. 그러는 와중에 승압,감압에 관해 얘기하면서 실질적인 w를 표시하는 솔직한 칩이라는 말씀이 나왔고 이부분에 대해서도 상당히 의아했었습니다. 대다수의 가변칩을 만드는 회사가 소규모의 전담시장도 아닌 큰 시장을 상대로 셋팅값과 다르게 밀어주는데 표시는 셋팅값으로해서 유저를 속이는 칩을 판매할수있을까라는 의문이 들었던 것이죠. 어찌됐건 판매자분과 좋게 결과지엇지만 코코나미님의 측정결과가 제가 알고있는 가변칩의 효과를 데이타로  나타내주는 게 아닌가 생각이 됩니다. 어렵긴 하군요. 제가 원했던게 이론이 아닌 이런 본인이 직접 측정한 데이타를 원했던 것인데.......... 대단하십니다.. 이때문에 sxk셀러 직접 컨택해서 기기를 2개나 결제했는데... | 
코코나미님의 댓글
 
			|  | @블랙실베플라스크는 온도조절 기기 이기 때문에 저옴에서는 전혀 문제 되지 않습니다. 오히려 고옴에서 문제가 발생합니다, 정확한 스펙은 아니지만 output 출력이 4.35v 로 알고 있습니다. 고옴의 고출력은 LOW Battery 메세지와 함께 전원이 차단되거나 이상증상이 나타납니다. 정확하게 고볼트 출력에 관해서 테스트는 안해봤지만 완충 배터리에서 6.5볼트 정도 까지 밀어주던걸 본적이 있습니다만 그러나 스펙 이상으로 사용하는건 비추천입니다, | 
코코나미님의 댓글
 
			|  | @kotetz네 밀어주는게 정상입니다. | 
코코나미님의 댓글
 
			|  | @뺑돌아빠감사합니다. ^^ | 



 
    







